



Egyéb anyagok, felületek és/vagy méretek kérésre lehetségesek!
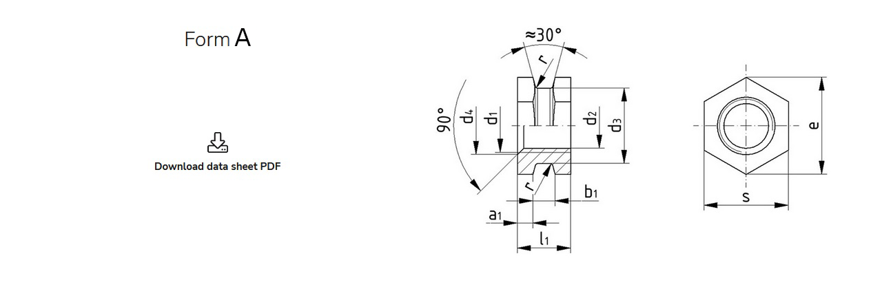
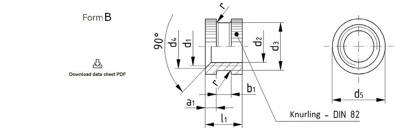
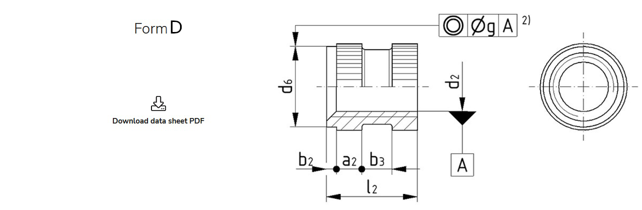
| Threaded bushings | |||||||||||
|---|---|---|---|---|---|---|---|---|---|---|---|
| Form | Tolerance | B /D | A / B /C / D | A / C | |||||||
| Thread d1(6H) | M 2 | M 2.5 | M 3 | (M 3.5) | M 4 | M 5 | M 6 | M 8 | M 10 | M 12 | |
| a1 | 0.8 | 0.9 | 0.9 | 1 | 1.2 | 1.6 | 1.8 | 2 | 3 | 3.5 | |
| a2 | 0.9 | 1 | 1.2 | 1.6 | 1.8 | 2 | 2.5 | 4 | 4 | 5 | |
| b1 | 0.8 | 0.8 | 1.2 | 1.4 | 1.4 | 1.8 | 2.4 | 4 | 4 | 5 | |
| b2 | 0.8 | 0.8 | 1 | 1 | 1 | 1 | 1 | 1 | 1 | 1 | |
| b3 | 0.8 | 1 | 1.2 | 1.4 | 1.4 | 2.5 | 3 | 4 | 6 | 7 | |
| d2 | H11 | 1.6 | 2.05 | 2.5 | 2.9 | 3.3 | 4.2 | 5 | 6.8 | 8.5 | 10.3 |
| d3 | h12 | 3.2 | 3.4 | 3.8 | 4.5 | 5 | 6.4 | 7.4 | 10.4 | 13 | 17 |
| d4 | 2.7 | 3 | 3.4 | 4 | 4.5 | 5.5 | 6.8 | 8.8 | 11 | 13 | |
| d51) | 3.5 | 3.8 | 4.2 | 5 | 5.5 | 7 | 8 | - | - | - | |
| d6 | h11 | 3.5 | 3.8 | 4.2 | 5 | 5.5 | 7 | 8 | 10 | 12.5 | 16 |
| g | 0.1 | 0.1 | 0.1 | 0.1 | 0.1 | 0.1 | 0.16 | 0.16 | 0.2 | 0.2 | |
| l1 | h12 | 2.3 | 2.6 | 3 | 3.5 | 4 | 5 | 6 | 8 | 10 | 12 |
| l2 | h12 | 3.5 | 4 | 4.5 | 5.5 | 6 | 7.5 | 9 | 12 | 15 | 18 |
| r | ≈ | 0.3 | 0.3 | 0.3 | 0.3 | 0.4 | 0.6 | 0.6 | 0.6 | 0.6 | 0.6 |
| t | 0.5 | 0.5 | 0.5 | 0.5 | 0.5 | 0.6 | 0.6 | - | - | - | |
| s | ≈ | - | - | 5 | 5.5 | 6 | 7 | 9 | 11 | 14 | 19 |
| e | ≈ | - | - | 5.8 | 6.1 | 6.9 | 8.1 | 10.4 | 12.7 | 16.2 | 21.9 |
1) d5 = diameter of the semi-finished product (before it is knurled)
2) Coaxiality tolerance according to DIN ISO 1101
Characteristics without tolerance specifications according to DIN ISO 2768-mK // delivery conditions according to DIN 267